FPGA-03-Verilog语法

本文参考实例熟悉Verilog HDL基本语法,描述FPGA程序设计本质和思路。基于Vivado创建工程,野火ZYNQ-7020开发板实操。

开发背景

软件:Vivado 2018.3

开发板:野火 Xilinx-ZYNQ-7000开发板-皓月开发平台

芯片:XC7Z020CLG400-2

工程目录:

  • doc:存放visio图形文件,包括模块IO、波形图、原理图(查引脚)、RTL电路

  • Vivado_Prj:项目文件

基本开发流程:

  1. 模块划分:明确需要什么功能,需要什么输入输出信号
  2. 波形绘制:FPGA本质为数字电路,设计之前明确IO真值表。
  3. 代码编写:设计模块
  4. 仿真分析:设计testbench文件,但是仿真结果也不等于实测
  5. RTL综合:实际的代码转化为RTL电路,不同的语句使用的底层电路不相同
  6. 添加约束:分配FPGA引脚、时序约束等
  7. 硬件联调:上板验证

语法应用

FPGA程序是并行执行的,所有always块可视作同步执行,设计不同的块就是设计always触发条件。

模块程序

模块IO 

仍然拿C的函数举例,通常会包含n个固定的输入量,0或1个输出量。FPGA则使用input、output、output做区分。 通常输入量为wire型。输出则需要对应代码,通常使用组合逻辑时为reg型,特殊使用assign赋值则为wire型。

Latch锁存

程序设计不当时,综合后的RTL电路会产生Latch锁存器,在同步电路中应当避免。其危害如下:

  • 毛刺敏感
  • 无法异步复位,上电后为不定态
  • 静态时序分析复杂化

组合逻辑中产生Latch的条件:

  • if-else语句缺少末尾的else

    1
    2
    3
    4
    5
    6
    7
    8
    9
    10
    11
    12
    13
    14
    15
    16
    17
    18
    if({in1,in2,in3}==3'b000)	
    out = 8'b0000_0001;
    else if({in1,in2,in3}==3'b001)
    out = 8'b0000_0010;
    else if({in1,in2,in3}==3'b010)
    out = 8'b0000_0100;
    else if({in1,in2,in3}==3'b011)
    out = 8'b0000_1000;
    else if({in1,in2,in3}==3'b100)
    out = 8'b0001_0000;
    else if({in1,in2,in3}==3'b101)
    out = 8'b0010_0000;
    else if({in1,in2,in3}==3'b110)
    out = 8'b0100_0000;
    else if({in1,in2,in3}==3'b111)
    out = 8'b1000_0000;
    else
    out = 8'b0000_0000;
image can't load. if-else语句遍历所有条件

若缺少最终的else语句,则会在尾部产生锁存:

image can't load. if-else语句缺少else
  • case语句在条件未遍历时缺少default

    1
    2
    3
    4
    5
    6
    7
    8
    9
    10
    11
    case({in1,in2,in3})
    3'b000: out = 8'b0000_0001;
    3'b001: out = 8'b0000_0010;
    3'b010: out = 8'b0000_0100;
    3'b011: out = 8'b0000_1000;
    3'b100: out = 8'b0001_0000;
    3'b101: out = 8'b0010_0000;
    3'b110: out = 8'b0100_0000;
    3'b111: out = 8'b1000_0000;
    default:out = 8'b0000_0000;
    endcase
    image can't load. case语句遍历所有条件

    而将

    1
    2
    3'b111:	out = 8'b1000_0000;
    default:out = 8'b0000_0000;

    两句注释之后生成的RTL电路则带有Latch

    image can't load. case语句缺少条件
  • 输出变量给自身赋值

    变量给自身赋值,其逻辑类似于保持自身,直到某个条件触发后开始变化。恰好与锁存器的功能一致。

    image can't load.
    if-else语句out=out赋值
    image can't load. case语句out = out赋值

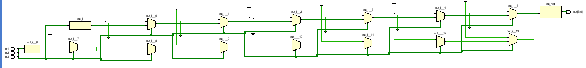
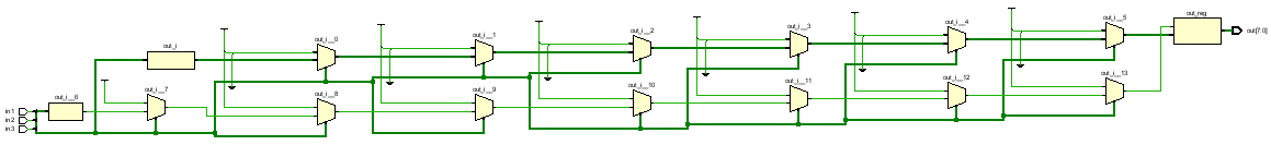
参考本节的图片,也能发现不同语句综合出的电路不相同,if-else内涵顺序结构,其RTL是多个二选一选择器串连,case语句并行选择,只有一个ROM块。

模块调用

类似于函数复用,不过C中通常是编译器来把所有相同的函数名定位到一个地址。而FPGA作为“电路语言”需要为每个模块分配不同的电路,即所谓的实例化。

假设有以下半加器模块:

1
2
3
4
5
6
7
8
9
module half_adder(
input wire in1,
input wire in2,

output wire sum,
output wire count
);
//code block
endmodule

如果想在其基础上设计全加器,只需要实例化两次(两个电路):

1
2
3
4
5
6
7
8
9
10
11
12
13
14
15
16
17
18
19
20
21
22
23
24
25
26
27
28
module full_adder(
input wire in1,
input wire in2,
input wire cin,

output wire sum,
output wire count
);
wire h0_sum;
wire h0_count;
wire h1_sum;

assign count = (h0_count|h1_count);

half_adder half_adder_inst0(
.in1(in1),
.in2(in2),
.sum(h0_sum),
.count(h0_count)
);

half_adder half_adder_inst0(
.in1(cin),
.in2(h0_sum),
.sum(sum),
.count(h1_count)
);
endmodule

只需要添加几个中间变量,如wire h0_sum;,就可以将某个实例的输出给到另一个输入。

仿真程序

仿真程序称之为testbench,名称为tb_XX.v以做区分。

设计某个.v功能模块的仿真程序,类似于顶层模块对底层的调用,不预留参数而仅仅做实例化。通过reg、wire型变量引入inst中。

初始化

使用initial语句块设计输入量的初始状态,使用begin-end块涵盖多个语句。

1
2
3
4
5
6
initial begin
sys_clk = 1;
sys_rst_n <= 0;
#20
sys_rst_n <= 1;
end

可使用如下语句输出调试信息:

1
2
3
4
initial begin
$timeformat(-9,0,"ns",6); //时间格式:单位10^-9,小数点后0位,对应“ns”,至少输出6次
$monitor("@time %t: out = %b.",$time,out); //输出某个时间值下,out量输出值
end

赋值方式

Verilog内分为阻塞赋值(“=”)与非阻塞赋值(“<=”)。

  • 对于组合逻辑,常常使用阻塞赋值,使用时序逻辑时,采用非阻塞赋值。
  • 同一always块中尽量用同一赋值方式。
  • 同一always块尽量只修改一个变量。

假设有以下代码,定义中间量in_reg,对比阻塞与非阻塞的差异:

1
2
3
4
5
6
7
8
9
10
11
12
13
14
15
16
17
18
19
module blocking(

input wire sys_clk,
input wire sys_rst_n,
input wire [1:0] in,

output reg [1:0] out
);

reg [1:0] in_reg;

always@(posedge sys_clk or negedge sys_rst_n)
if(sys_rst_n == 1'b0)begin
//赋值处1
end
else begin
//赋值处2
end
endmodule

仿真文件中,我们设置clk和in信号为阻塞赋值(同一时刻发生变化),in信号和时钟沿完全同步变化:

1
2
3
4
5
6
7
8
9
10
11
12
13
14
15
16
17
18
19
20
21
22
23
24
25
26
27
28
29
30
31
32
33
34
`timescale 1ns / 1ns

module tb_blocking();

reg sys_clk;
reg sys_rst_n;
reg [1:0] in;

wire [1:0] out; //仿真引出wire量

initial begin
sys_clk = 1'b1;
sys_rst_n <= 1'b0;
in <= 2'b00;

#20
sys_rst_n <= 1'b1;
end

always #10 sys_clk = ~sys_clk;

always #20 in = {$random}%4; //此处若为非阻塞赋值,in会延迟clk一拍


blocking blocking_inst0(

.sys_clk(sys_clk),
.sys_rst_n(sys_rst_n),
.in(in),

.out(out)
);
endmodule

阻塞赋值

对应的电路结构与触发沿没关系,只与输入电平变化有关系。对于同一个begin-end代码块内的语句,同一时刻只执行一条语句,其按先后顺序执行。

注:阻塞赋值不能操作wire型数据。

对于如下代码:

1
2
3
4
5
6
a = 1;
b = 1;
begin
a = b+1;
b = a+1;
end

对应的电路在计算完a值之后计算下一个b值,右侧数值变化时左侧立刻变化。

本节头部的模块中,若赋值处分别为:

1
2
3
4
5
in_reg 	= 	2‘b00;
out = 2‘b00;

in_reg = in;
out = in_reg;

其RTL电路为D触发器。

image can't load. always块内阻塞赋值RTL

仿真波形如下:

image can't load. 阻塞赋值RTL

显然,in_reg和out之间并无延迟,数据同步变化。

非阻塞赋值

非阻塞赋值对应电路通常与时钟沿有关,只有在触发沿的时刻才进行非阻塞赋值。同一个begin-end块中的语句并行执行,上一句的值改变仅会影响下一拍的输入。

注:非阻塞赋值只能对reg量赋值,用于always和initial语句中,不可用于assign语句。

对于同样的代码:

1
2
3
4
5
6
a = 1;
b = 1;
begin
a <= b+1;
b <= a+1;
end
  • 赋值开始时:计算语句右侧值
  • 赋值结束时:更新左侧值,即T时刻上升沿时a的变化情况不影响计算b的值,会体现到到下一拍

本节头部的模块中,若赋值处分别为非阻塞赋值:

1
2
3
4
5
in_reg 	<= 	2‘b00;
out <= 2‘b00;

in_reg <= in;
out <= in_reg;

其RTL电路为两个D触发器串联,从电路更容易理解滞后一拍:

image can't load. 非阻塞赋值RTL
image can't load. 非阻塞赋值仿真波形

RTL电路中in_reg和out之间多出一个上升沿D触发器,因此输出滞后一拍。查看D触发器

附录

阻塞非阻塞赋值语句综合后的差异为一个D触发器,触发方式为边沿触发。

从背景上说,触发器的目的是增加电路“状态”,因为组合逻辑电路能传输信号–输出跟随输入变化,永远只反映现在的状态,即电路输出与上一时刻“状态”无关,

以单一的与、或、非门电路为例,其当前的输入直接影响当前的输出。而“状态”的前提是记忆,或者说保持,其中最简单的记忆电路是两个反相器串联:

image can't load. 保持电路

以上电路:

  • Vin与Vout同相
  • Vin的值取决于上一拍状态

假设,首个反相器输出Q,则第二个输出Q 。其端口电压传输特性如下,三个工作点0(a)、1(c)和亚稳态(b),稳定在a、c两点。

image can't load. 反相器输出特性

SR触发器

在具备保持功能的反相器电路基础上,但其缺少外部输入。将非门替换为与非门或者或非门可增加一个输入量,如图a,当v11=v12=0时,与上图一致。

如果不用与非门替换反相器,则在改变数值时,需要断开上下两部分连接,并改变数据后重新连接

image can't load. SR触发器或非门电路

按照图b进行符号定义,对于或非门,1信号为决定信号(与门0信号为决定信号)。因此有以下真值表:

RD SD Qn+1 Q’n+1
0 0 QN Q’N
0 1 1 0
1 0 0 1
1 1 0 * 0*

*:当RD、SD同时为1时,能输出最终的结果。错误出现在当11同时消失为00时,理论上Q和Q’将同时输出1,但由于竞争-冒险的情况,两个门电路传输时间并不总是相同,因此最终状态可能是Q=1,将下方门Q’拉低为0,也许反之。此同时切换为00的状态为不定态,因此不建议出现。

根据真值表,称其为Set-Reset触发器。另一种形式是与非门电路,其RD’和SD’低电平有效(0为决定信号),两者不能同为0。

再进一步,此时R、S信号在部分时刻影响输出,在输入端R、D增加与非门的Load信号,则有:

image can't load. SR同步电平触发器

(a)图后端为RD’、SD’有效的SR触发器,增设前端的与非门后输入反相:

  • CLK = 1时,电路为实时跟随的SR触发器
  • CLK = 0时,输入端变化被屏蔽

再进一步,后端SR触发器若接异步输入(低电平有效),可同时具备同步异步功能。

image can't load. SR同步异步电平触发器

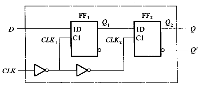
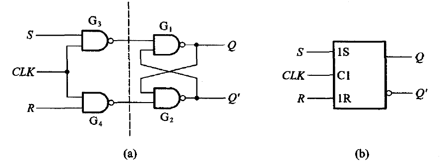
电平触发器问题是,不易使得CLK=1时恰好SR输入变化。因此,在其基础上使用两个相同的SR触发器串联,但使用反相的装载信号CLK。

image can't load. SR主从触发器
  • CLK=1时,主触发器任意变化,从触发器屏蔽输入
  • CLK=0时,主触发器根据最后时刻SR输出并保持Qm,Qm作为从触发器的输入,输出稳定的Q值。

因此,整个电路从时刻跟随SR变为仅在CLK下降沿时刻变化。其真值表如下:

CLK S R QN+1 Q’N+1
X X X QN Q’N
0 0 QN Q’N
1 0 1 0
0 1 0 1
1 1 1* 1*

触发方式变为下降沿触发,但仍然受限于SR=0的约束条件。由此引出JK触发器。

D触发器

上方的SR触发器有两个主要特点:

  • 具备保持功能(输入为00时)
  • CLK可决定分段加载SR的值

但也存在以下问题:

  1. 受限于约束条件SR=0,否则可能出现不定态
  2. CLK=1时,Q仍根据SR值时刻变化

为解决以上问题1,提出由同一信号决定SR,原始信号+反相信号。此方式SR恒等于0,但弊端是SR不可同时为0,即不具备保持功能。

image can't load. 电平触发D触发器

其真值表简化为:

CLK D QN+1
0 X QN
1 0 0
1 1 1

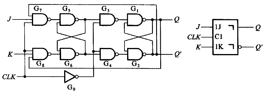
参考主从SR触发器,可设计边沿触发的D触发器,如下为CLK上升沿触发D触发器:

  • CLK=0,前开后闭
  • CLK=1,前闭后开
image can't load. 边沿触发D触发器

其电路符号为:

image can't load. 上升触发D触发器电路符号

边沿D触发器、主从SR触发器、主从JK触发器的性质都是在下一拍反映上一拍的数据,“记忆”功能体现滞后一拍的特性。

JK触发器

基于主从SR触发器,为解决SR恒为0的约束条件,提出将从触发器输出分别接入主触发器输入端,称为JK触发器。

image can't load. JK主从触发器

其有以下特点:

  • 下降沿有效
  • QN影响从触发器QN+1
  • QN影响主触发器输入,进而影响QmN+1

假设电路处于稳定状态QN=1,若此时JK=1,则输入端JK与QN和Q’N分别相与等效(主触发器等效为SR电平触发器)后的输入为01,QN+1被复位。若QN=0,则输出被置1。即:

  1. QN=1,屏蔽置位端J,否则屏蔽复位端K

  2. JK主从等效于去除约束后的SR主从

根据第1点,显然同一时钟周期内,Qm最多翻转一次。

仍以QN=1为例,主触发器屏蔽J后的等效JK仅有两种情况00、01,即QmN+1保持或输出0,因此QN+1可能保持或翻转。

因此,如果在CLK=1时,JK输入保持,则只观察下降沿时JK的值。若JK未被屏蔽的信号出现翻转,则输出QN+1必定翻转:

  • QN=1时,K翻转
  • QN=0时,J翻转
image can't load. JK触发器输出

参考资料

[1] 野火 FPGA ZYNQ-7000系列FPGA Verilog开发实战指南 | 哔哩哔哩

[2] 王红《数字电子技术基础》 触发器逻辑功能的分类 | 哔哩哔哩

————————— End —————————

经历是过程,经验是目的。